
降压芯片 LC5110 SOP-8 DC-DC降压电路 12V输出 降压电路LC5110
降压芯片 LC5110的产品描述:
LC5110 是精简型 DC-DC 降压变换器集成电路,内含温度补偿的参考电压源(1.25V)、比较器、能有效限制电流及控制工作周期的振荡器、驱动器及大电流输出开关管等,外配少量元件,就能组成 DC-DC 降压电路。LC5110 广泛适用于汽车充电器、直流降压变换器等产品。
降压芯片 LC5110的产品特点:
工作电压范围宽:10~28V
输出电流限制功能和输出电流保护功耗
静态电流小
12V稳定输出 1A;24V稳定输出0.8A
工作频率可达120KHz
输出电压范围:5.1V±4%
封装形式:SOP8
降压芯片 LC5110的管脚排列图:

降压芯片 LC5110的极限值:
| 参数 | 符号 | 数值 | 单位 |
| 电源电压(空载) | VCC | 28 | V |
| 电源电压(重载) | VCC | 24 | V |
| 输出开关管电流 | ISW | 1 | A |
| 功耗 | PD | 1.25 | W |
| 工作环境温度 | TA | 0~+70 | ℃ |
| 贮存温度 | TSTG | -20~+120 | ℃ |
注:
(1)工作条件超过这些额定值可能会造成 IC 永久性的损坏。
(2) 应使用质量可靠的外围元器件,使用性能差的元器件会造成 IC 工作异常,甚至会损坏 IC。
(3)续流二极管必须使用 SR240 或电流能力在 2A 以上二极管,不可使用 IN5819 二极管,否则会损坏 IC。
(4)输出电压纹波与输出电容 ESR 有关,建议使用高频低阻电解电容。
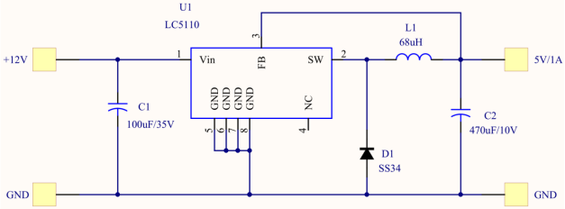
降压芯片 LC5110的应用电路图:

降压芯片 LC5110的电特性:
(VCC=12V,TA=0℃~60℃,除非另外规定)
| 参数名称 | 测试条件 | MIN | TYP | MAX | 单位 |
| 电源电压 VCC | 接应用电路,空载 | 10 | 12 | 28 | V |
| 电源电流 ICC | VSC=VCC=12V,接应用电路,无负载 | 5 | 8 | mA | |
| 线性调整 | Vin=12V~25V,IO=700mA | 30 | mV | ||
| 负载调整 | Vin=12V,IO=50mA~700mA | 100 | mV | ||
| 输出纹波 | Vin=12V,IO=700mA | 100 | mVp-p | ||
| 频率 | VCC=12V,IO=700mA | 80 | 100 | 120 | KHz |
| 效率 | VCC=12V,IO=700mA | 77 | % |