
中低压MOS管 85N06 PDFN3X3-8L MOS管选型 60VMOS管国产替换
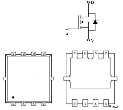
中低压MOS管 85N06的引脚图:

中低压MOS管 85N06的应用领域:
BLDC
DC-DC
中低压MOS管 85N06的极限值:
(如无特殊说明,TJ=25℃)
| 符号 | 参数 | 数值 | 单位 |
| VDS | 漏极-源极电压 | 65 | V |
| VGS | 栅极-源极电压 | ±20 | |
| ID | 漏极电流-连续(TC=25℃) | 85 | A |
| 漏极电流-连续(TC=100℃) | 52 | ||
| IDM | 漏极电流-脉冲 | 328 | |
| EAS | 单脉冲雪崩能量 | 89 | mJ |
| PD | 总耗散功率 TC=25℃ | 65.8 | W |
| TSTG | 存储温度 | -55~150 | ℃ |
| TJ | 工作结温 | -55~150 | |
| RθJC | 结到管壳的热阻 | 1.9 | ℃/W |
| RθJA | 结到环境的热阻 | 25 |
中低压MOS管 85N06的电特性:
(如无特殊说明,TJ=25℃)
| 符号 | 参数 | MIN值 | TYP值 | MAX值 | 单位 |
| BVDSS | 漏极-源极击穿电压 | 65 | V | ||
| RDS(ON) | 静态漏源导通电阻 VGS=10V,ID=20A | 4.1 | 5.2 | mΩ | |
| 静态漏源导通电阻 VGS=4.5V,ID=10A | 5.8 | 7.5 | |||
| VGS(th) | 栅极开启电压 | 1.2 | 1.65 | 2.5 | V |
| IGSS | 栅极漏电流 | ±100 | nA | ||
| Qg | 栅极电荷 | 28.2 | nC | ||
| Qgs | 栅源电荷密度 | 4.9 | |||
| Qgd | 栅漏电荷密度 | 4.9 | |||
| Ciss | 输入电容 | 1600 | pF | ||
| Coss | 输出电容 | 445 | |||
| Crss | 反向传输电容 | 25 | |||
| td(on) | 开启延迟时间 | 7.4 | ns | ||
| tr | 开启上升时间 | 6.2 | |||
| td(off) | 关断延迟时间 | 25.2 | |||
| tf | 开启下降时间 | 7.6 |