
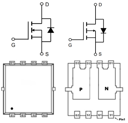
中低压国产MOS管 20G04 PDFN3X3-8L 贴片场效应管20G04 40VMOSFET
中低压国产MOS管 20G04的引脚图:

中低压国产MOS管 20G04的参数特点:
1、N-CH:
VDS=40V
ID=23A
RDS(ON)<18mΩ@VGS=10V
2、P-CH:
VDS=-40V
ID=-20A
RDS(ON)<32mΩ@VGS=-10V
中低压国产MOS管 20G04的极限值:
(如无特殊说明,TC=25℃)
| 符号 | 参数 | 数值 | 单位 | |
| N-CH | P-CH | |||
| VDS | 漏极-源极电压 | 40 | -40 | V |
| VGS | 栅极-源极电压 | ±25 | ±25 | |
| ID | 漏极电流-连续 (TC=25℃) | 23 | -20 | A |
| 漏极电流-连续 (TC=100℃) | 18 | -16 | ||
| IDM | 漏极电流-脉冲 | 46 | -40 | |
| EAS | 单脉冲雪崩能量 | 28 | 66 | mJ |
| IAS | 单脉冲雪崩电流 | 17.8 | -27.2 | A |
| PD | 总耗散功率 (TC=25℃) | 25 | 31.3 | W |
| RθJA | 结到环境的热阻 | 25 | 25 | ℃/W |
| RθJC | 结到管壳的热阻 | 5 | 5 | |
| TSTG | 存储温度 | -55~150 | -55~150 | ℃ |
| TJ | 工作结温 | -55~150 | -55~150 | |
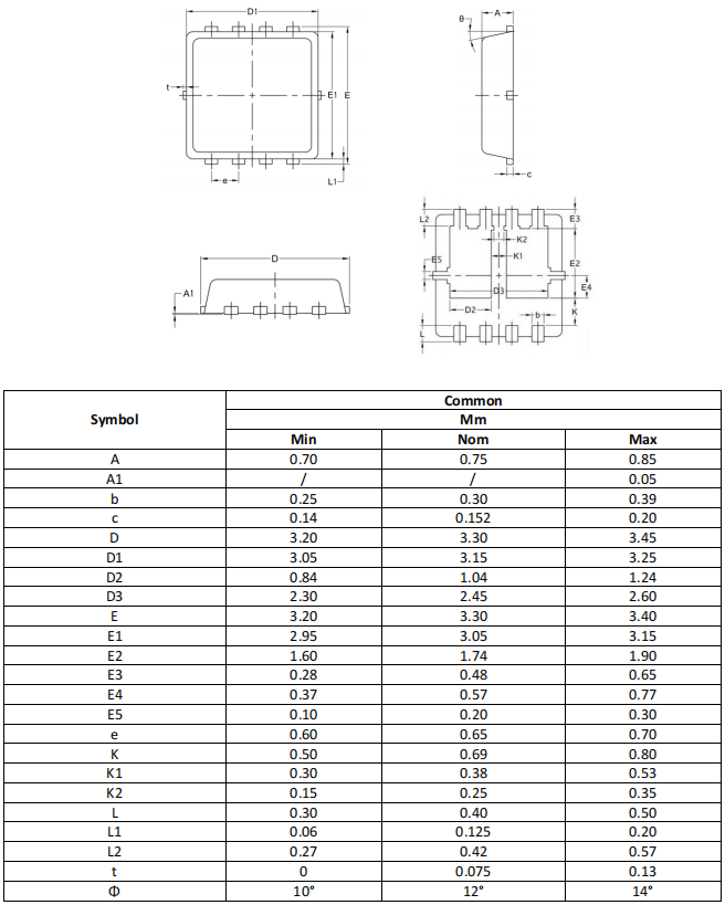
中低压国产MOS管 20G04的封装外形尺寸图:
