
20A常用可控硅 TYN820 TO-220B 小家电单向可控硅 TYN820可控硅替换
20A常用可控硅 TYN820的应用领域:
摩托车调压器
LED 灯控制器
交流电开关
交直流电源变换
直发器
20A常用可控硅 TYN820的极限参数(TCASE=25℃):
断态重复峰值电压 VDRM/VRRM:600/800V
通态平均电流 IT(AV):13A
通态均方根电流 IT(RMS):20A
通态不重复浪涌电流 ITSM:250A
I2t值:310A2s
通态电流临界上升率 dIT/dt:50Aμs
门极峰值电流 IGM:4A
门极平均功率 PG(AV):1W
存储温度 TSTG:-40~+150℃
工作结温 Tj:-40~+125℃
20A常用可控硅 TYN820的电特性:
| 符号 | 参数 | 数值 | 单位 | ||
| MIN | TYP | MAX | |||
| IGT | 门极触发电流 | 2 | 25 | mA | |
| VGT | 门极触发电压 | 1 | V | ||
| VGD | 门极不触发电压 | 0.2 | |||
| IH | 维持电流 | 40 | mA | ||
| IL | 擎住电流 | 60 | |||
| dVD/dt | 断态电压临界上升率 | 200 | V/μs | ||
| VTM | 通态压降 | 1.6 | V | ||
| IDRM/IRRM | 断态重复峰值电流 VD=VDRM/VRRM,TJ=25℃ | 5 | μA | ||
断态重复峰值电流 VD=VDRM/VRRM,TJ=125℃ | 1 | mA | |||
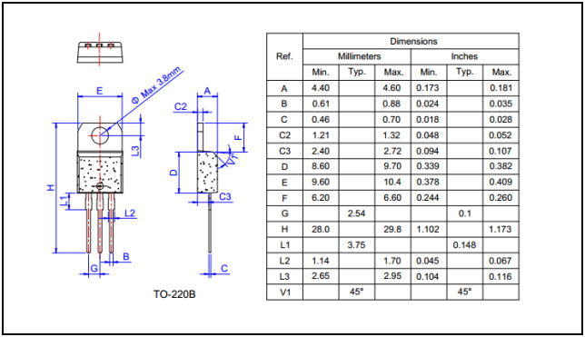
20A常用可控硅 TYN820的封装外形尺寸图:
