宇芯电子可控硅一站式解决方案提供商专注单向可控硅,168彩票星空娱乐 ,国产可控硅,168彩票下载星空娱乐 ,达林顿芯片等半导体器件的应用服务。
当前位置: 首页 » 产品中心 » 代理产品 » 音特电子保护器件 » 静电保护元件 » 静电保护元件 ESD24VAPB SOT-23

产品分类

Product Categories
静电保护元件 ESD24VAPB SOT-23
静电保护元件 ESD24VAPB SOT-23
产品品牌:音特
产品类型:静电保护元件
产品型号:ESD24VAPB
产品封装:SOT-23
产品标题:静电保护元件 SOT-23 ESD24VAPB 机顶盒用防静电元件
咨询热线:0769-89027776

产品详情


静电保护元件 SOT-23 ESD24VAPB 机顶盒用防静电元件



ESD24VAPB的极限值:

blob.png



ESD24VAPB的电特性:

blob.png



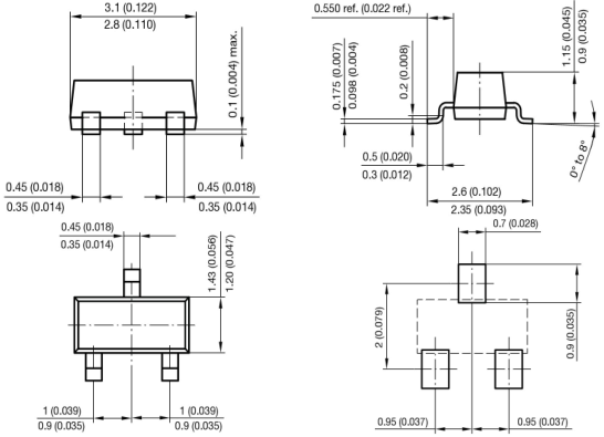
ESD24VAPB的封装外形尺寸:

blob.png


产品推荐

Product recommendations
*本站相关网页素材及相关资源均来源互联网,如有侵权请速告知,我们将会在24小时内删除*
技术支持:东莞网站建设
Baidu
map