国产低压MOS管 100N03 TO-252 30VNMOS管100N03
国产低压MOS管 100N03的产品应用:
电池保护
负载开关
不间断电源
国产低压MOS管 100N03的极限值:
(如无特殊说明,TC=25℃)
| 符号 | 参数 | 数值 | 单位 |
| VDS | 漏极-源极电压 | 30 | V |
| VGS | 栅极-源极电压 | ±20 | |
| ID | 漏极电流-连续(TC=25℃) | 100 | A |
| 漏极电流-连续(TC=100℃) | 59 | ||
| IDM | 漏极电流-脉冲 | 360 | |
| EAS | 单脉冲雪崩能量 | 95 | mJ |
| IAS | 雪崩电流 | 19.5 | A |
| PD | 总耗散功率 TC=25℃ | 68 | W |
| TSTG | 存储温度 | -55~175 | ℃ |
| TJ | 工作结温 | -55~175 | |
| RθJA | 结到环境的热阻 | 62 | ℃/W |
| RθJC | 结到管壳的热阻 | 2.2 |
国产低压MOS管 100N03的电特性:
(如无特殊说明,TJ=25℃)
| 符号 | 参数 | MIN值 | TYP值 | MAX值 | 单位 |
| BVDSS | 漏极-源极击穿电压 | 30 | 32 | V | |
| RDS(ON) | 静态漏源导通电阻 VGS=10V,ID=30A | 3.6 | 5.5 | mΩ | |
静态漏源导通电阻 VGS=4.5V,ID=20A | 6.7 | 9.5 | |||
| VGS(th) | 栅极开启电压 | 1 | 1.6 | 2.5 | V |
| IDSS | 零栅压漏极电流 VDS=30V,VGS=0V | 1 | μA | ||
| IGSS | 栅极漏电流 | ±100 | nA | ||
| Qg | 栅极电荷 | 45 | nC | ||
| Qgs | 栅源电荷密度 | 3 | |||
| Qgd | 栅漏电荷密度 | 15 | |||
| Ciss | 输入电容 | 2100 | pF | ||
| Coss | 输出电容 | 326 | |||
| Crss | 反向传输电容 | 282 | |||
| td(on) | 开启延迟时间 | 21 | ns | ||
| tr | 开启上升时间 | 32 | |||
| td(off) | 关断延迟时间 | 59 | |||
| tf | 开启下降时间 | 34 |
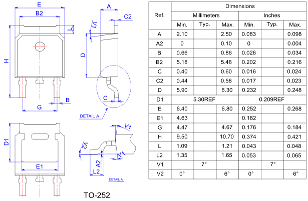
国产低压MOS管 100N03的封装尺寸图:

声明:本网站原创内容,如需转载,请注明出处;本网站转载的内容(文章、图片、视频)等资料版权归原网站所有。如我们采用了您不宜公开的文章或图片,未能及时和您确认,避免给双方造成不必要的经济损失,请电邮联系我们,以便迅速采取适当处理措施;邮箱:limeijun@yushin88.com